Ticker

6/recent/ticker-posts

Advertisement

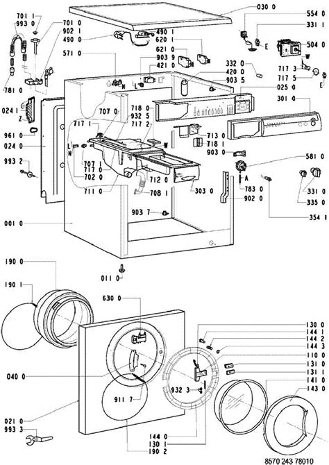
PDF Whirlpool Awm 243 Washing Machine Frontloader Repair Manual

Currently you are looking for an Whirlpool Awm 243 Washing Machine Frontloader Repair Manual example that will we provide here inside some type of document formats many of these as PDF, Doc, Strength Point, as well as images that will will make it simpler for you to create an Whirlpool Awm 243 Washing Machine Frontloader Repair Manual yourself. For a better look, you can open several examples below. Each of the good examples about Whirlpool Awm 243 Washing Machine Frontloader Repair Manual on this website, we get from many sources so you can create a better document of your own.

When the search you obtain here does not match up what you are looking for, please make use of the search feature that we have provided here. You are free to download anything at all that we provide here, expense cost you typically the slightest.

DOWNLOAD HERE

Everybody knows that reading Whirlpool Awm 243 Washing Machine Frontloader Repair Manual is useful, because we are able to get too much info online in the resources. Technologies have developed, and reading Whirlpool Awm 243 Washing Machine Frontloader Repair Manual books can be easier and easier. We can read books on our mobile, tablets and Kindle, etc. Hence, there are several books entering PDF format.

Below are some websites for downloading free PDF books where you can acquire all the knowledge as you desire. Nowadays everybody, young and older, should familiarize themselves together with the growing eBook business. Ebooks and eBook visitors provide substantial benefits above traditional reading. Ebooks slice down on the use of paper, as recommended by environmental enthusiasts. Presently there are no fixed timings for study. There is no question of waiting-time for new editions. Presently there is no transportation to the eBook shop. Typically the books in an eBook shop can be downloaded immediately, sometimes for free, occasionally for any fee.

Not simply that, the online variation of books are usually cheap, because publication houses save their print in addition to paper machinery, the rewards of which are given to to customers. Further, typically the reach of the eBook shop is immense, enabling a person living in Australia to source out to a publication house inside Chicago. The newest trend in the online eBook world is actually are referred to as eBook libraries, or eBook packages. An eBook bundle is something remarkable. That consists of a large number of ebooks bundled together that are not easily available at one solitary place. So instead associated with hunting down and purchasing, say 100 literary classics, you can buy an eBook bundle which contains all these kinds of ebooks bundled together. These eBook libraries typically provide a substantial savings, in addition to are usually offered inside many different formats to match your brand of electronic reading device. Large companies, such because Amazon or Barnes and Noble, tend to not carry these eBook libraries. If you want to buy one of these libraries, you will have to find independent eBook shops. These independent eBook shops typically package the eBook libraries by genre, in addition to have a wide selection of genres.